ຜະລິດຕະພັນ
Cast Steel Check Valve
  • Cast Steel Check ValveCast Steel Check Valve

Cast Steel Check Valve

Jinqiu Valve ຜະລິດປ່ຽງກວດກາເຫຼັກກ້າທີ່ມີຄຸນນະພາບສູງ, ເຊິ່ງເປັນປ່ຽງອັດຕະໂນມັດທີ່ເປີດອັດຕະໂນມັດໂດຍອີງໃສ່ຄວາມກົດດັນຂອງການໄຫຼຂອງຂະຫນາດກາງແລະປິດອັດຕະໂນມັດໂດຍແຮງໂນ້ມຖ່ວງຫຼືຄວາມກົດດັນກັບຄືນໄປບ່ອນໃນເວລາທີ່ຂະຫນາດກາງໄຫຼກັບຄືນ. ປ່ຽງເຫຼົ່ານີ້ແມ່ນເຫມາະສົມສໍາລັບທໍ່ອຸດສາຫະກໍາຕ່າງໆ, ປົກກະຕິແລ້ວແມ່ນເຮັດດ້ວຍເຫຼັກກ້າ, ແລະສາມາດໃຊ້ໄດ້ກັບຄວາມຫລາກຫລາຍຂອງສື່ແລະອຸນຫະພູມ.

ວາວກວດເຊັກເຫຼັກກ້າທີ່ທົນທານຂອງໂຮງງານ Jinqiu Valve ມີຄວາມສົມມາດໃນທັງສອງດ້ານ, ອະນຸຍາດໃຫ້ມີການໄຫຼວຽນຂອງສື່ bidirectional. ການຕິດຕັ້ງແມ່ນກົງໄປກົງມາ, ລົບລ້າງຄວາມຕ້ອງການທີ່ຈະພິຈາລະນາທິດທາງທໍ່, ແລະການດໍາເນີນງານແມ່ນມີຄວາມຍືດຫຍຸ່ນແລະສະດວກ. ໂຮງງານຂອງພວກເຮົາຍຶດຫມັ້ນໃນຫຼັກການຂອງຄວາມຊື່ສັດແລະຄຸນນະພາບທໍາອິດ. ພວກເຮົາຍິນດີຕ້ອນຮັບການສອບຖາມຂອງທ່ານແລະຫວັງວ່າຈະສ້າງຄວາມສໍາພັນຮ່ວມມືໃນໄລຍະຍາວກັບທ່ານ. ພວກເຮົາມີຄວາມໄດ້ປຽບໃນການຜະລິດ, ໃນຂະນະທີ່ທ່ານມີຂໍ້ໄດ້ປຽບໃນການຂາຍ. ພວກເຮົາເຊື່ອວ່າໂດຍຜ່ານການຮ່ວມມື, ພວກເຮົາສາມາດບັນລຸສະຖານະການ win-win, ແລະພວກເຮົາຫວັງວ່າຈະຂະຫຍາຍຕົວຮ່ວມກັນ!


1. ຄວາມຕ້ານທານຂອງນ້ໍາຕ່ໍາ: ຂະຫນາດກາງພາຍໃນຂອງປ່ຽງກວດກາເຫຼັກກ້າໄຫຼໃນເສັ້ນຊື່ທີ່ມີຄວາມຕ້ານທານຫນ້ອຍ, ອໍານວຍຄວາມສະດວກໃນການຂົນສົ່ງນ້ໍາກ້ຽງ, ປະສິດທິພາບພະລັງງານ, ແລະການປະຕິບັດ.
2. ງ່າຍທີ່ຈະເປີດແລະປິດ: ປະຕູຮົ້ວຂອງປ່ຽງກວດກາເຫຼັກກ້າຍ້າຍໃນແນວຕັ້ງກັບນ້ໍາ, ຮຽກຮ້ອງໃຫ້ມີແຮງຫນ້ອຍທີ່ສຸດເພື່ອເປີດແລະປິດ, ເຮັດໃຫ້ການດໍາເນີນງານງ່າຍດາຍແລະປະຫຍັດຄ່າໃຊ້ຈ່າຍແຮງງານ.
3. ທິດທາງການໄຫຼຂະຫນາດກາງທີ່ບໍ່ຈໍາກັດ: ປ່ຽງກວດກາເຫຼັກກ້າແມ່ນ symmetrical ທັງສອງດ້ານ, ອະນຸຍາດໃຫ້ການໄຫຼຂະຫນາດກາງ bidirectional. ການຕິດຕັ້ງບໍ່ຈໍາເປັນຕ້ອງພິຈາລະນາທິດທາງການໄຫຼຂອງທໍ່, ເຮັດໃຫ້ການດໍາເນີນງານມີຄວາມຍືດຫຍຸ່ນແລະສະດວກ.
4. ປະສິດທິພາບການປະທັບຕາທີ່ດີເລີດ: ການສວມໃສ່ແມ່ນຫນ້ອຍທີ່ສຸດເມື່ອເປີດຢ່າງເຕັມສ່ວນ; ເມື່ອປິດ, ຄວາມກົດດັນສາມາດບັງຄັບໃຫ້ປະທັບຕາ, ປະສິດທິຜົນປ້ອງກັນການຮົ່ວໄຫຼຂະຫນາດກາງ.

ຕົວກໍານົດການປະສິດທິພາບ

ຕົວແບບ H44H-16C~2=-0 H44W-16P~250
ຄວາມກົດດັນການເຮັດວຽກ (MPa) 1.6~25
ອຸນ​ຫະ​ພູມ​ທີ່​ເຫມາະ​ສົມ (℃​) ≤425 ≤550
ສື່ມວນຊົນທີ່ເຫມາະສົມ ນ້ໍາ, ອາຍ, ນ້ໍາມັນ ປານກາງ corrosive ອ່ອນ
ວັດສະດຸ ຮ່າງ​ກາຍ, bonnet, disc ເຫຼັກກາກບອນ Chrome nickel-titanium ສະແຕນເລດ
ດ້ານການຜະນຶກ ເຫຼັກກາກບອນ surfacing ໂລຫະປະສົມທາດເຫຼັກ ຮ່າງກາຍຜະນຶກເຂົ້າກັນ

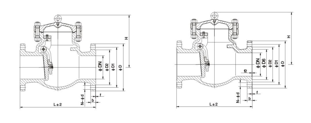
ຮູບຮ່າງຕົ້ນຕໍແລະຂະຫນາດການເຊື່ອມຕໍ່

ເສັ້ນຜ່າສູນກາງນາມDN ຂະຫນາດຕົ້ນຕໍແລະຂະຫນາດການເຊື່ອມຕໍ່
L D D1 D2 b Z-d H
H44H-16C H44W-16C H44W-16P H44W-16R H44W-16I
25 160 115 85 65 16 4-14 100
32 180 135 100 78 16 4-18 105
40 200 145 100 85 16 4-18 115
50 230 160 125 100 16 4-18 135
65 290 180 145 120 18 4-18 142
80 310 195 160 135 20 8-18 165
100 350 215 180 155 20 8-18 180
125 400 245 210 185 22 8-18 210
150 480 280 240 210 24 8-23 233
200 500 335 295 265 26 ໑໒-໒໓ 304
250 550 405 355 320 30 12-25 348
300 650 460 410 375 30 12-25 390
350 750 520 470 435 34 16-25 430
400 850 580 525 485 36 16-30 468
H44H-25 H44W-25 H44W-25P H44W-25R H44W-25I
25 160 115 85 65 16 4-14 100
32 180 135 100 78 16 4-18 105
40 200 145 110 85 16 4-18 115
50 230 160 125 100 20 4-18 160
65 290 180 145 120 22 8-18 175
80 310 195 160 135 22 8-18 185
100 350 230 190 160 24 8-23 220
125 400 270 220 188 28 8-25 248
150 480 300 250 218 30 8-25 276
200 550 360 310 278 34 12-25 350
250 650 425 370 332 36 12-30 410
300 750 485 430 390 40 16-30 430
350 850 550 490 448 44 ໑໖-໓໔ 518
400 950 610 550 505 48 ໑໖-໓໔ 560

ຮູບໂຄງສ້າງ

Hot Tags: Cast Steel Check Valve, ຈີນ, Customized, Quality, Durable, Advanced, ຜູ້ຜະລິດ, ຜູ້ສະຫນອງ, ໂຮງງານ, ໃນຫຼັກຊັບ
ປະເພດທີ່ກ່ຽວຂ້ອງ
ສົ່ງສອບຖາມ
ຂໍ້​ມູນ​ຕິດ​ຕໍ່
  • ທີ່ຢູ່

    No.1, North 1st Road, Stainless Steel New Town, Lecong Steel World West Road, Shunde District, Foshan City, Guangdong Province, ຈີນ

  • ອີເມລ

    jinqiufamen@gmail.com

ສໍາ​ລັບ​ການ​ສອບ​ຖາມ​ກ່ຽວ​ກັບ​ປ່ຽງ​ປະ​ຕູ​, ປ່ຽງ​ໂລກ​ແລະ​ການ​ກວດ​ສອບ​ປ່ຽງ​ຫຼື​ບັນ​ຊີ​ລາຍ​ການ​ລາ​ຄາ​, ກະ​ລຸ​ນາ​ປ່ອຍ​ໃຫ້​ອີ​ເມວ​ຂອງ​ທ່ານ​ກັບ​ພວກ​ເຮົາ​ແລະ​ພວກ​ເຮົາ​ຈະ​ຕິດ​ຕໍ່​ພົວ​ພັນ​ພາຍ​ໃນ 24 ຊົ່ວ​ໂມງ​.

X
ພວກເຮົາໃຊ້ cookies ເພື່ອສະເຫນີໃຫ້ທ່ານມີປະສົບການການຊອກຫາທີ່ດີກວ່າ, ວິເຄາະການເຂົ້າຊົມເວັບໄຊທ໌ແລະປັບແຕ່ງເນື້ອຫາ. ໂດຍການນໍາໃຊ້ເວັບໄຊທ໌ນີ້, ທ່ານຕົກລົງເຫັນດີກັບການນໍາໃຊ້ cookies ຂອງພວກເຮົາ. ນະໂຍບາຍຄວາມເປັນສ່ວນຕົວ
ປະຕິເສດ ຍອມຮັບ